V roku 2014 sme v tatranskom zborníku zverejnili návod na obsluhu anténneho analyzátora SWR-1 vrátane schémy a osadenia súčiastok od Alexa EU1ME. Tu je dokumentácia ešte raz.
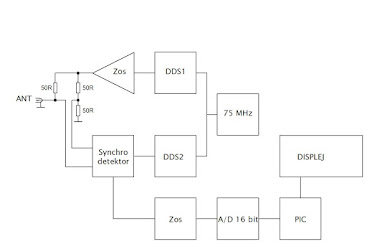
Anténny
analyzátor obsahuje dve DDS. Bloková schéma SWR-1 je na
nasledujúcom obrázku. Princíp analyzátora je identický s VNA N2PK, čo nám
umožňuje merať antény aj pri veľkom rušení z pásiem. Analyzátor je
napájaný z malého akumulátora a nepotrebuje PC. Výsledky merania sa zobrazujú
na dvojriadkovom displeji. Analyzátor SWR-1 je od Alexa EU1ME a analyzátor PIKO-VNA je úprava od Fera OK1NOF.
Pomocou analyzátora PICO-VNA môžete rýchlo a presne nastaviť, či skontrolovať anténu . Analyzátor má vstavaný čítač, vf milivoltmeter a generátor, je malý, ľahko sa ovláda a vždy ho máte po ruke. Je ekonomický, kompaktný a uplatní sa doma i v prírode.
Analyzátor meria tieto parametre v rozsahu 1-30 MHz:
- PSV od 1 do 20 pri 50, 75, 300 Ω
Obsluha analyzátora
Na zapnutie a vypnutie analyzátora
stlačte a podržte tlačidlo On.
Posledný raz nastavená frekvencia i režim merania sa pri vypnutí
zapamätajú.
Tlačidlami Up a Dn si
v základnom menu zvolíme režim merania. Tlačidlom Dn si zvolíme USER
CALIBRATON a tlačidlom F si
zvolíme SET DEFAULT?. Tlačidlom Dn (nie) si zvolíme CALIBRATION?, potvrdíme s F a čakáme.
Zobrazí sa SET OPEN, zasunieme prázdny BNC konektor, potvrdíme s F a čakáme. Zobrazí sa SET SHORT, zasunieme skratovaný
konektor, potvrdíme s F
a znovu musíme čakať. Zobrazí sa SET 50 ohm, zasunieme záťaž 50 ohm
a potvrdíme tlačidlom F.
Prebehne
kalibrácia a zobrazí sa USER
CALIBRATION. Tlačidlom Dn sa
posunieme na nasledujúci krok a analyzátor zmeria PSV pri záťaži 50 (75,
300) ohm. Analyzátor je pripravený na meranie až do doby, kým sa nevypne.
Funkcie ČÍTAČ a GENERÁTOR
fungujú hneď po zapnutí, bez kalibrácie.
Na zadanie frekvencie stlačíme tlačidlo F, pod danou číslicou sa objaví podčiarnik a ten môžeme
posúvať tlačidlom F. Číslicu, pod
ktorou je podčiarnik meníme tlačidlami Up,
Dn a tak nastavíme frekvenciu. Na potvrdenie zadania stlačíme tlačidlo
On a tým zrušíme podčiarnik.
Takto sa hľadá minimum PSV alebo
rezonančná frekvencia X=0. Na prepínanie
medzi tromi časťami pamäte stlačíme a podržíme tlačidlo F a tlačidlami Up a Dn si vyberieme časť pamäte a pustíme tlačidlo F. Na podsvietenie displeja stlačíme
tlačidlo F a potom zapneme
prístroj tlačidlom A. Po 10 minútach
nečinnosti sa prístroj vypne.
Režimy práce prístroja
Meranie
PSV
Zobrazuje sa hodnota PSV od 1 do 20 a logaritmická škála pre hľadanie minima. Na porovnanie PSV na rôznych frekvenciách použijeme prepínanie medzi tromi časťami pamäte.
VNA
Zobrazuje sa Rezistancia R a Reaktancia X so znakom + alebo -. Na prepínanie medzi hodnotami Rs/Xs a Rp/Xp zatlačíme Dn držia
Meranie LC
Čítač a milivoltmeter
Zobrazuje sa frekvencia a efektívna hodnota VF napätia.
Generátor
Prístroj generuje VF signál.
Menu USER nastavení
Zatlačením F si vyberieme menu a tlačidlami Up a Dn vyberieme jedno z nastavení.
1. Impedancia linky proti ktorej sa meria PSV - 50, 75 alebo 300 Ω
2. Typ batérie
- «ALKALINE» alkalická baterka (označenie 6F22, 9V, 1€) alebo (6LR61, 2,5€) ) 6F22 pracuje asi 1-2 hodiny a 6LR61 vyše 10 hodín.
- «Ni-MH ACC» akumulátor rozmer 6F22.
Nominálne napätie 8,4
V, pracuje 4-7 hodín (6 €).
- «LiION ACC» - akumulátor rozmer 6F22.
Nominálne napätie 7,4 V (2 kusy v sérii s napätím 3,7 volt), pracuje asi 25 hodín.
Kalibrácia prístroja
Každý prístroj je kalibrovaný vo výrobe, hodnoty kalibrácie sú uložené v pamäti a používateľ ich nemôže zmeniť. Táto kalibrácia je uložená ako Default Calibration.
Okrem toho si užívateľ môže skalibrovať prístroj sám a uložiť si kalibráciu do User Calibration.
Pred kalibrovaním necháme prístroj pár minút zahriať. Na začiatok kalibrácie zvolíme menu Calibration a potvrdíme zatlačením tlačidla F.
Po
objavení sa nápisu SET OPEN zasunieme prázdny BNC konektor a potvrdíme
zatlačením tlačidla F.
Úprava Fera OK1NOF je piate tlačidlo na doske, po stlačení sa odpojí napájacie napätie. V paneli je len malá dierka, ktorá slúži na resetovanie špáratkom.
Súbor SWR1.exe si stiahneme zo stránky cqham.ru, najskôr klikneme na Vse forumy.
Potom si vyberieme Anteny - Antenyje pribory a na 16 mieste je náš Univerzalnyj Antenyj Analizator SWR-1. Hneď na prvej stránke článku pod obrázkami sú súbory SWR-1 user manual .pdf a SWR-1 sch-hex.zip. Manuál je samozrejme po rusky. Zip súbor rozbalíme a máme originálnu schému a programový .hex súbor pre PIC. Tento manuál je preklad originálu.
Hotový analyzátor predávala autorova firma za 120 USD.


























